Motorized Grab – Fixed Bail
Product Features
- Motorized leg drive maximizes the efficient handling of coils.
- Leg drive speed – 2.8” per second.
- Narrow aisle stacking maximizes coil storage floor space.
- Curved lifting pads for coil protection.
- High impact plastic toe rollers prevent lifter foot contact.
- Anti-clamp limit switch protects coil during closing of lifter.
- Heavy duty torque limiting drive protection during maximum open/closed conditions.
- Lockout limit switch prevents inadvertent leg opening during lift.
- Alloy steel pin bail.
- Easily replaceable slide wear guides.
- Design allows for easy maintenance access to drive components.
- Designed to operate on AC power supply.
- Field upgradeable to rotating style.
- Complies with ASME standards.
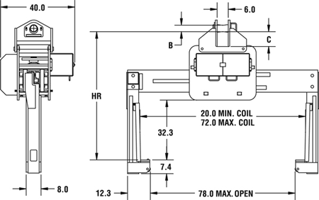
Product Specifications
| Model 85 Specifications | ||||||||
|---|---|---|---|---|---|---|---|---|
| Model Number | Capacity (tons) | Min Coil Width (in.) | Max Coil Width (in.) | HR (in.) | Throat (in.) | B (in.) | C (in.) | Weight (lbs) |
| 85-15-72 | 15 | 20 | 72 | 67-1/2 | 32.3 | 3 | 8-1/4 | 3440 |
| 85-20-72 | 20 | 20 | 72 | 67-1/2 | 32.3 | 3 | 8-1/4 | 3540 |
| 85-25-72 | 25 | 20 | 72 | 69-1/4 | 32.3 | 3-1/2 | 8 | 3780 |
| 85-33-72 | 33 | 20 | 72 | 69-1/4 | 32.3 | 3-1/2 | 8 | 3880 |
|
Other sizes available, consult factory.
|
||||||||



