Pipe Pick™
The patented concrete Pipe Pick™ is a quicker, safer, and cleaner way of handling precast concrete pipe.
Product Features
- Simple and fast.
- No need to reach inside the pipe.
- Worker remains above the pipe at all times.
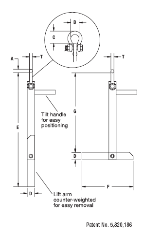
Product Specifications

| Model CPP Specifications | |||||||||||
|---|---|---|---|---|---|---|---|---|---|---|---|
| Model numbers shown in green are part of our INSTOCK program. | |||||||||||
| Model Number | Capacity (tons) | Min. Pipe I.D. (in.) | D (in.) | E (in.) | F (in.) | G (in.) | A (in.) | B (in.) | C (in.) | T (in.) | Weight (lbs.) |
| CPP-1.5 | 1-1/2 | 12 | 1.5 | 23.5 | 10.25 | 17.75 | 0.69 | 1.69 | 1.81 | 0.63 | 10 |
| CPP-3 | 3 | 14 | 2 | 28.5 | 12.00 | 22.50 | 0.81 | 2.00 | 2.19 | 0.75 | 18 |
| CPP-5 | 5 | 16 | 2.75 | 43.75 | 13.0 | 38.75 | 1.06 | 2.69 | 2.75 | 1.00 | 46 |



