Standard Adj. Four Point
These standard configurations cover a wide range of requirement for many multi-point lifting applications.
Product Features
- Low headroom design.
- Swivel hooks with latches standard.
- Adjustable spreads on 1′ increments.
- Faspins for easy crossarm adjustment.
- Complies with ASME standards.
Product Specifications

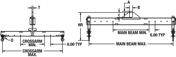
| Model 27SD Specifications | ||||||||||||
|---|---|---|---|---|---|---|---|---|---|---|---|---|
| Model Number | Cap. (tons) | Main Beam Max Spread (in.) | Main Beam Min Spread (in.) | Crossarms Max Spread (in.) | Crossarms Min Spread (in.) | A (in.) | B (in.) | C (in.) | T (in.) | O (in.) | HR (in.) | Weight (lbs.) |
| 27SD-3-84/60 | 3 | 84 | 36 | 60 | 24 | 1.25 | 3 | 5 | 1 | 0.97 | 28.2 | 375 |
| 27SD-5-120/96 | 5 | 120 | 48 | 96 | 36 | 2 | 4 | 7 | 1.25 | 1.06 | 32.7 | 760 |
| 27SD-10-144/96 | 10 | 144 | 72 | 96 | 36 | 2 | 4 | 7 | 1.25 | 1.41 | 42.0 | 1530 |



