WIRELOCK® General Technical Information

Posted on:

  1. WIRELOCK® is designed to gel (Change from a liquid to a solid) in approximately 20 minutes at 18°C (65°F). To ensure the kits are not adversely affected by storage they should be kept in a dry place at a temperature of between 10°C and 24°C (50°F and 75°F) and away from any source of direct heat. WIRELOCK®, like all polyester resins, is temperature sensitive. An increase in temperature of 10°C (15°F) shortens the gel time by approximately 50%. A decrease in temperature of 10°C (15°F) lengthens the gel time by approximately 100%.

  2. The specific gravity of WIRELOCK® is 1.73 Therefore, 1000cc’s will weigh 1.73 kilos or 3.81 lbs. 250cc’s will weigh 1.73

    1.73 x 250 = 0.43 kilos or 0.95 lbs.
    1000
  3. WIRELOCK® Wire Rope Assemblies are 100% efficient when used with steel wire rope, galvanized wire ropes and stainless steel wire ropes. We do not advise the use of stainless steel wire rope in a salt water marine environment without regular inspection. In the presence of an electrolyte, i.e. sea water, electrolytic degradation of the stainless steel wire rope can occur. This phenomenon, known as crevice corrosion will impair the integrity of the rope in the region near to the neck of the socket. Crevice corrosion also occurs when white metal is used for socketing (Zinc should not be used to socket stainless steel rope). However the onset of crevice corrosion in resin sockets appears to be faster than when white metal is used. Other rope types do not exhibit this behaviour. See illustration.


    Typical example of the swelling of stainless steelrope due to crevice corrosion.
  4. WIRELOCK® is approximately 20% the weight of zinc.

  5. The strength of WIRELOCK®, in its cured state, is not adversely affected by cold temperatures.

  6. WIRELOCK® must be mixed and poured (see 6.3) within the temperature range of -3°C to 35°C (27°F – 95°F). The kits are not adversely affected by storage at temperatures below -3°C (27°F). It is recommended the WIRELOCK® kit be stored in a cool place.

  7. The operating temperature of WIRELOCK® is +115°C to -54°C (+240°F to – 65°F).

  8. When cured, WIRELOCK® has a hardness of approximately 40 to 50 Barcol. When the resin has set fully (opaque green or mustard colour) only a slight scratch mark will be seen when a sharp object, such as a screwdriver blade, is scraped over the surface of the resin. On a small socket, it is quite normal to have a very thin tacky layer on the surface of the resin. The scratch test can be carried out through this layer.

  9. Cracks which may appear on the top of the cured cone are surface crazing only, and are a result of heat stresses and shrinkage upon a thin layer of unfilled resin covering the tops of the wires. The crazing does not affect the strength of the termination within the socket.

  10. Shrinkage of the WIRELOCK® cone may leave a gap between the cone and the socket wall. This is normal, particularly with large sockets and high ambient temperatures. This in no way affects the efficiency of the assembly. Upon loading, the cone will be seated perfectly in the socket. The shrinkage of WIRELOCK® is between 1.5 – 2.0%. In high volume WIRELOCK®, the shrinkage is about 0.5%.

  11. Excessive numbers of horizontal rings in the socket may increase the load required to “seat” and wedge the cone within the socket. They should be avoided whenever possible and a proof load applied (not exceeding 60% of MBL) if they must be used. Alternatively they should be filled in with clay, prior to placing the socket on the rope.

  12. WIRELOCK® poured sockets should not be used in environments of strong caustic or acid solutions. WIRELOCK® is not affected by oils, or grease or salt water.

  13. WIRELOCK® is, by design, a compressive resin. Therefore, when removed from the socket a WIRELOCK® cone, if hit by a hammer, may shatter. In a socket, even under extreme loads or shockloads, the WIRELOCK® cone remains solid and 100% efficient.

  14. The shelf life of WIRELOCK® is eighteen (18) months (check label before use) from the date of manufacture.

Example of a Torpedo Button Installation Replacement

Posted on:

We install our buttons on all crane types and rope constructions made by any manufacturer.


  • After you have arranged for Torpedo Button replacement service your crane will come to us and park near one of the service access doors. Lower your hook block and unbolt your button including the button pouch socket.

  • After proper wire seizing the rope is being blade cut.

  • “Brooming”, de-greasing, and installing.

  • “Socketing” or pouring with WireLock®

  • Depending on ambient temperature it takes about 2-3 hours for the socketing resin to fully cure.

  • We need to have your pouch socket to select the correct Torpedo button size and to ensure proper fit.

  • Now we have to prepare our proof test bed to accept the Torpedo button for proof testing to twice the rated capacity.

  • Selecting the correct wedge liners to securely grip the wire rope.

  • Each Torpedo button size has it’s own custom made half-shell test insert.

  • Test bed is now set up to start the proot test procedure.

  • After the proof test procedure the wire rope will be re-installed through the lower sheave block and the Torpedo button and pouch socket inserted back to the boom tip.

  • All is installed and the crane is ready for action again.

This entire Torpedo button replacement procedure takes between 4-6 hours.

Ropeblock Fast Connector Socket

Posted on:

Fast Connector Sockets with bolt and nut

Quenched and tempered cast steel

Model nr. Reev-
ing aid
MBL
(US-
tons)
for wire Ø Dimensions (inch) Wei-
ght
(lbs)
mm inch A B C ØH ØP T W D ØD ØJ K TB TL
FCS 701 P 22 11-13 71612 2716 238 1116 916 1 12 1 11516 1516 11516 11316 258 578 4
FCS 702 P 28 13-16 1258 21316 3116 114 1116 1316 916 1 114 2516 112 2316 338 7316 6
FCS 703 P 44 16-19 5834 338 31116 1916 1316 138 58 124 234 11216 234 21116 334 8916 10
FCS 704 P 61 20-22 78 4 4316 134 1516 158 34 134 318 11516 314 3316 4516 91516 14
FCS 705 P 83 23-26 1 412 41316 238 118 2 78 2 418 238 334 3916 5116 1168 24
FCS 706 P 99 27-29 118 512 6 2916 114 214 1 214 412 234 4316 4916 5916 14116 35
FCS 705 P.SR T705 83 23-26 1 412 41316 238 118 2 78 2 418 238 334 3916 5116 1168 24
FCS 706 P.SR T706 99 27-29 118 512 6 2916 114 214 1 214 412 234 4316 4916 5916 14116 35
FCS 707 P.SR T706 138 30-32 114 578 612 278 1716 212 118 212 41516 318 41116 434 618 15116 40
FCS 708 P.SR T706 138 33-36 138 6516 634 278 1916 212 118 21116 41516 338 41516 518 6516 1578 51
FCS 709 P.SR T709 165 37-39 112 61516 738 318 158 234 1316 3 5916 3916 538 5916 61516 17716 64
FCS 710 P.SR T709 187 40-42 158 738 71316 3716 134 3 1516 3 618 334 5916 578 738 211116 79
FCS 711 P.SR T711 248 43-48 134-178 814 918 31516 2116 312 1916 312 61516 4516 6916 678 8716 21516 128

Crosby SB-427 Button Spelter Socket

Posted on:
  • Available in six sizes from 1/2” to 1-1/2”, (13mm – 38mm).
  • Button Spelter terminations have a 100% efficiency rating, based on the catalog strength of the wire rope.
  • Designed for use with mobile cranes. Can be used to terminate high performance, rotation resistant ropes, and standard 6 strand ropes.
  • Easy to install assembly utilizes Crosby WIRELOCK® socketing compound.
  • Sockets and buttons are re-usable.
  • Replacement buttons and sockets are available.
  • Locking feature available to prevent rotation of rope.
  • Button contains cap with eye that can be attached to, and used to pull, rope during reeving process.
  • Manufactured to the requirements of API-2C.


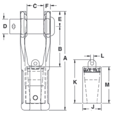
SB-427 Button Spelter Socket

SB-427 Button Spelter Sockets
Wire Rope Size SB-427 Stock No. Ultimate Load
(t)
Weight Each
(lb)
Button Only Stock No. Dimensions
(in)
Tolerance +/-
(in) (mm) A B C D E F J K L M C
1/2 – 5/8 13-16 1052005 27 6.1 1052309 7.94 3.23 1.28 1.19 1.22 0.57 1.50 3.50 0.25 2.93 0.06
5/8 – 3/4 16-19 1052014 45 10.3 1052318 9.44 3.88 1.53 1.38 1.44 0.66 1.75 4.28 0.38 3.43 0.06
3/4 – 7/8 19-22 1052023 57 17.1 1052327 10.81 4.41 1.78 1.62 1.69 0.75 2.06 4.78 0.38 3.96 0.06
7/8 – 1 22-26 1052032 82 29.2 1052336 12.88 5.48 2.03 2.00 2.00 0.89 2.44 5.62 0.62 4.52 0.09
1-1/8 – 1-1/4 28-32 1052041 136 46.0 1052345 14.90 5.68 2.53 2.25 2.50 1.11 2.94 7.08 0.75 5.72 0.09
1-3/8 – 1-1/2 35-38 1052050 161 78.0 1052354 18.06 7.17 3.03 2.75 2.75 1.24 3.62 8.08 0.75 6.76 0.09
SB-427TB (Bolt, Nut and Cotter Pin)
Wire Rope Size SB-427TB Stock No. Ultimate Load
(t)
Weight Each
(lb)
Button Only Stock No. Dimensions
(in)
Tolerance +/-
(in) (mm) A B C D E F J K L M C
1/2 – 5/8 13-16 1052006 27 6.1 1052309 7.94 3.23 1.28 1.19 1.22 0.57 1.50 3.50 0.25 2.93 0.06
5/8 – 3/4 16-19 1052015 45 10.3 1052318 9.44 3.88 1.53 1.38 1.44 0.66 1.75 4.28 0.38 3.43 0.06
3/4 – 7/8 19-22 1052024 57 17.1 1052327 10.81 4.41 1.78 1.62 1.69 0.75 2.06 4.78 0.38 3.96 0.06
7/8 – 1 22-26 1052033 82 29.2 1052336 12.88 5.48 2.03 2.00 2.00 0.89 2.44 5.62 0.62 4.52 0.09
1-1/8 – 1-1/4 28-32 1052042 136 46.0 1052345 14.90 5.68 2.53 2.25 2.50 1.11 2.94 7.08 0.75 5.72 0.09
1-3/8 – 1-1/2 35-38 1052051 161 78.0 1052354 18.06 7.17 3.03 2.75 2.75 1.24 3.62 8.08 0.75 6.76 0.09

Type S-423T Super Terminator Wedge Socket

Posted on:

This wedge socket is designed to be used with High Performance rotation resistant (Category 1) 35 x 7 style wire rope.

When correctly installed with a Python® Compac 18, Python® 35 and Python® 35 PLUS rope this socket will achieve the mandated and required 80% rope strength efficiency.

Type S-421T Wedge Socket

Posted on:

Note: Efficiency of a properly assembled Wedge Socket is 80% of catalogue breaking strength of 6×19/6×37 EIPS class wire rope. Ask for details for correct and safe installation.

Installation and Replacement Service

Posted on:

Unirope provides the service of replacing existing crane buttons at our fabrication plant facilities in Edmonton (AB), Mississauga (ON) and Montreal (QC).

Events need to be scheduled and coordinated with your local Unirope Plant Manager.


Button replacement event in Edmonton.

Button replacement on two mobile cranes at the same time at our Edmonton plant.
Button replacement event in Mississauga.

Alternatively, if the crane is already set up at and can’t be easily moved you can unbolt the entire rope winch and sent it to Unirope. We will attach a new button including proof testing.

Because we can’t spin the drum make sure that enough slack rope is provided or, make sure that the old button passes around the drum without interference from the rope guards.

We also provide the service to “field install” our Torpedo Buttons onto your crane rope. Note that this is not possible at any weather conditions, especially at sub-zero temperatures at/or during snow and ice storms. One of the reasons is that the rope, button and the WireLock® resin need to have the same temperature.

Proof Testing Requirements

Why Proof testing?

Proof testing is part of the Torpedo Button installation quality verification procedure. Proof testing is done to twice the permissible (WLL) rope tension/load. As crane ropes are used at a DF of 5:1 this means we proof load to 40% of the Minimum Breaking Strength (MBS) of the rope.

The second reason is that at this proof load the resin cone inside the sockets is fully “seated”. This prevents that the cone spins or separates from the button before the first load is applied.

If you receive an installed button and you can spin the cone by hand that means that the button had never been proof tested.

The third reason are requirements by applicable Standards.

A. CSA Z 150-16 MOBILE CRANES and CSA Z 248-17 TOWER CRANES require to proof test all installed spelter fittings.

B. ASME B30.30 ROPES Under clause 30-1.7.4 k) two different types of proof tests are required:

  1. Proof testing to 40% of the MBS of the rope when the rope was installed at the rope fabricators plant, or
  2. Proof testing to 95% of the permissible maximum line (rope) pull (19% of MBS at DF 5:1) of the crane winch if the button was installed ‘in the field’ and no mobile test bed was available.

Unirope purpose designed Torpedo Proof Testing fitting.

Proof Test Equipment (Mississauga)

Note that in Ontario Unirope has available mobile test beds with rope grippers to proof test any installed crane rope button in the field. However, we highly recommend that if your button was field installed WITHOUT a proof load to 40% of MBS you bring in your crane after your job is done so that we can proof load the spelter button in our shop test bed.


Rope grip installed in our mobile test bed

Read before ordering a Torpedo Button

Posted on:

A. BEFORE ordering a replacement button make sure it fits your button pouch/basket.


Best is to send us one of your pouches so we can make sure our Torpedo Button fits.
Many pouches or button systems are third party sourced and may not fit your OEM Button.

It is very important to make sure that the top eye fits the socket pouch/basket.

B. These Unirope Torpedo Buttons comply to EN 13411-4 and, in addition, have been Fatigue Type Tested to 75,000 cycles.

C. These buttons are for Non-Roating ropes ONLY.
Reason: Regular ropes start to rotate under load which may rotate the button inside the crane pouch causing to unlay 4-6-7-8-9-10 strand or any “regular’ lay wire rope.

D. Our Torpedo buttons are NOT INTENDED FOR RESALE and can NOT be purchased as stand alone items. The socketing procedures are different from standard spelter sockets and must be done by trained and certified UNIROPE installers.

E. In compliance with ASTM B30.30 (ROPES), CSA Z150-16 (Mobile Cranes) and CSA Z 248-17 (Tower Cranes) each button installed at Unirope’s facilities is PROOF TESTED to 40% of the rope’s Minimum Breaking Strength.

F. EACH button has a unique serial number stamped into them.

G. Our Torpedo Buttons are made 100% by Unirope from alloy tool steel, stress relieved and then hardened to over RC40.

H. Unirope Torpedo Buttons are NOT permitted to be re-used.


Torpedo Button Installation


Proof test equipment (Edmonton)


All Buttons are made by us

General Technical Information

Posted on:

Torpedo Spelter Buttons for High Strength Non-Rotating Ropes up to 2160 N/mm2, ASTM 1023, Category 1

Spelter Buttons were developed to solve two basic problems using high performance non-rotating cranes ropes:

1. Standard old fashioned wedge sockets are not made to accomodate high density and high strength non-roating ropes. Bulging of the ropes over too small wedges was one problem. The other was that standard wedge sockets were not able to maintain the required 80% rope strength efficiency.


Traditional Wedge Sockets were not designed for high strength rotation resistant ropes.

Parts of a S 421 Wedge Socket. Note the small D/d ratio of the wedge vs the rope.

If you need to use a wedge socket with high strength rotation resistant rope use Crosby S 423 sockets which are designed with a larger wedge radii and they meet the 80% breaking strength retention requirement.

2. Installing a relatively stiff high performance rope into a standard wedge socket is not easy (try that in winter in sub freezing temperatures).Torpedo Spelter Buttons permit hoist line re-reeving without first removing a cumbersome wedge socket and dealing with a ‘kinked’ rope to feed through tight spaced sheave blocks.


Example of a mobile crane standard lower sheave block.
Note the tight spaced sheaves and the close gap between the retention bar and the sheave groove bottom.

Torpedo buttons are small enough to fit through the sheave blocks making re-reeving much easier and faster as with wedge sockets.
Note the button pouch below the top sheaves.
Most hoist blocks require the correct Torpedo Button diameter. Not ALL Button styles fit EVERY sheave block.
This is especially important when replacement- or non OEM sheave blocks are installed.

Typical crane tip installed attachment fitting

Typical button pouch

Torpedo Button, Flat Seat (Special)

Posted on:

Flat Seat (May fit certain Demag models)

Rope Size (d) Button Stock
Number
Pad Eye Dimensions
A B C D E F
(mm) (in) (mm) (in) (mm) (in) (mm) (in) (mm) (in) (mm) (in) (mm)
17 SO‐TD‐150‐17‐SL Yes 1.50 38 4.30 109 7.24 184 1.31 33 0.63 16 1.13 29
24-26 SO‐TD‐205‐24‐26 Yes 2.05 52 5.38 137 8.27 210 1.31 33 0.63 16 1.13 29
27-29 SO‐TD‐228‐27‐29 Yes 2.28 58 6.13 156 8.07 205 1.31 33 0.63 16 1.13 29
40-42 SO‐TD‐315‐40‐42 Yes 3.15 80 8.25 210 14.57 370 2.32 59 1.00 25 2.13 54
Note1
This is an optional cap for customers who either want an additional cap or do not want the eye. With the cap the complete button length is dimension “B” plus between 3/4” and 1”. If a tighter tolerance is required, contact Unirope Engineering for details.

Note2
“C” is a standard dimension which can modified to any desired additional length, but length “B” is the minimum length we carry in stock inventory. If, for any reason” “B” needs to be shorter we can manually cut down “B” but this depends on button size . Conversely, if “C” needs to be longer the end cap length can be modified. Ask for details if this comes up.