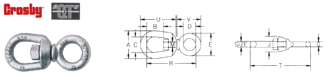
Chain Swivels

Dimensions (inch) for Chain Swivels Type G-401
| Size inch |
WLL tons |
A | B | C | D | E | G | J | M | R | T | U | V | lbs each |
|---|---|---|---|---|---|---|---|---|---|---|---|---|---|---|
| 1/4 | .425 | 1.25 | .69 | .75 | .62 | 1.12 | .25 | .69 | .31 | 2.25 | 2.75 | 1.69 | 1.25 | .13 |
| 5/16 | .625 | 1.63 | .81 | 1.00 | .75 | 1.38 | .31 | .81 | .38 | 2.72 | 3.34 | 2.06 | 1.47 | .25 |
| 3/8 | 1.25 | 2.00 | .94 | 1.25 | 1.00 | 1.75 | .38 | 1.00 | .50 | 3.44 | 4.19 | 2.50 | 1.88 | .54 |
| 1/2 | 1.8 | 2.50 | 1.31 | 1.50 | 1.25 | 2.25 | .50 | 1.31 | .63 | 4.25 | 5.25 | 3.19 | 2.44 | 1.12 |
| 5/8 | 2.6 | 3.00 | 1.56 | 1.75 | 1.50 | 2.75 | .62 | 1.50 | .75 | 5.13 | 6.31 | 3.88 | 2.94 | 2.09 |
| 3/4 | 3.6 | 3.50 | 1.75 | 2.00 | 1.75 | 3.25 | .75 | 1.88 | .88 | 5.78 | 7.22 | 4.94 | 3.46 | 3.09 |
| Ultimate Load is 5 times the WLL | ||||||||||||||



