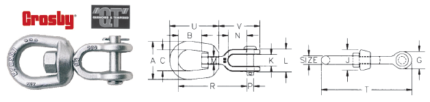
Dimensions (inch) for Jaw End Swivels Type G-403

Size WLL tons A B C G J K L M N P R T U V lbs each
1/4 .425 1.25 .69 .75 .69 .69 .47 1.03 .31 .88 .25 2.63 3.38 1.69 1.69 .21
5/16 .625 1.63 .81 1.00 .81 .81 .50 1.13 .38 .88 .31 2.94 3.88 2.06 1.81 .34
3/8 1.25 2.00 .94 1.25 1.00 1.00 .63 1.41 .50 1.06 .38 3.63 4.75 2.50 2.25 .66
1/2 1.8 2.50 1.31 1.50 1.31 1.31 .75 1.75 .63 1.31 .50 4.50 6.06 3.19 2.88 1.34
5/8 2.6 3.00 1.56 1.75 1.63 1.50 .94 2.06 .75 1.50 .63 5.31 7.31 3.88 3.44 2.48
3/4 3.6 3.50 1.75 2.00 1.88 1.88 1.13 2.53 .88 1.75 .75 6.06 8.31 4.31 4.00 3.88
7/8 5.0 4.00 2.06 2.25 2.13 2.13 1.19 2.75 1.00 2.06 .88 7.00 9.53 5.00 4.53 5.87
1 6.25 4.50 2.31 2.50 2.63 2.38 1.75 3.72 1.13 2.81 1.13 8.56 11.69 5.75 5.94 9.84
1-1/4 9.0 5.63 2.69 3.13 3.13 3.00 2.06 4.31 1.38 2.81 1.38 9.44 13.13 6.75 6.38 15.75
1-1/2 22.6 7.00 4.19 4.00 5.63 4.00 2.88 6.00 2.25 4.44 2.25 14.74 20.84 10.00 10.84 54.75
Ultimate Load is 5 times the WLL