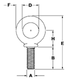
Machinery Eye Bolt Type 279 Inch and Metric
|

| Dimensions (inch) for Imperial Machinery Eye Bolts | ||||||||
|---|---|---|---|---|---|---|---|---|
| Shank Diameter & Length |
WLL tons | A | B | D | E | F | H | lbs. each |
| 1/4 x 2 | .32 | .25 | 1.00 | .50 | 1.94 | .19 | .50 | .05 |
| 5/16 x 1-1/8 | .60 | .31 | 1.13 | .62 | 2.38 | .25 | .69 | .06 |
| 3/8 x 1-1/4 | .77 | .38 | 1.25 | .75 | 2.72 | .31 | .78 | .13 |
| 1/2 x 1-1/2 | 1.30 | .50 | 1.50 | 1.00 | 3.38 | .38 | 1.00 | .25 |
| 5/8 x 1-3/4 | 2.60 | .63 | 1.75 | 1.25 | 4.19 | .50 | 1.31 | .50 |
| 3/4 x 2 | 3.60 | .75 | 2.00 | 1.50 | 4.94 | .62 | 1.56 | .88 |
| 7/8 x 2-1/4 | 5.30 | .88 | 2.25 | 1.75 | 5.72 | .75 | 1.84 | 1.57 |
| 1 x 2-1/2 | 6.65 | 1.00 | 2.50 | 2.00 | 6.47 | .88 | 1.09 | 2.18 |
| 1-1/4 x 3 | 10.50 | 1.25 | 3.00 | 2.50 | 7.72 | 1.00 | 2.47 | 3.80 |
| 1-1/2 x 3-1/2 | 12.00 | 1.50 | 3.50 | 3.00 | 9.25 | 1.25 | 3.00 | 7.00 |
| Dimensions (mm) for METRIC Machinery Eye Bolts | ||||||||
|---|---|---|---|---|---|---|---|---|
| Shank Diameter x Length mm |
WLL kgs |
A | B | D | E | F | H | LBS each |
| M6 x 13 | 200 | M6 x 1.0 | 13.0 | 19.1 | 47.0 | 4.9 | 19.6 | .03 |
| M8 x 13 | 400 | M8 x 1.25 | 13.0 | 22.4 | 54.6 | 6.4 | 24.1 | .05 |
| M10 x 17 | 640 | M10 x 1.5 | 17.0 | 25.4 | 64.3 | 7.9 | 26.5 | .07 |
| M12 x 20.5 | 1000 | M12 x 1.75 | 20.5 | 30.2 | 77.7 | 9.7 | 32.8 | .11 |
| M16 x 27 | 1800 | M16 x 2.0 | 27.0 | 35.1 | 96.0 | 12.7 | 38.9 | .25 |
| M20 x 30 | 2500 | M20 x 2.5 | 30.0 | 38.1 | 108 | 16.0 | 43.4 | .42 |
| M24 x 36 | 4000 | M24 x 3.0 | 36.0 | 51.0 | 142 | 22.4 | 58.4 | 1.05 |
| M27 x 69.8 | 5000 | M27 x 3.0 | 69.8 | 57.1 | 183 | 24.6 | 59.7 | 1.42 |
| M30 x 45 | 6000 | M30 x 3.5 | 45.0 | 63.5 | 171 | 25.4 | 69.3 | 1.77 |
| M36 x 54 | 8500 | M36 x 4.0 | 54.0 | 76.0 | 207 | 31.8 | 83.3 | 3.12 |
| M42 x 95.2 | 14000 | M42 x 4.5 | 95.2 | 88.9 | 266 | 35.0 | 91.4 | 4.58 |
| M48 x 102 | 17300 | M48 x 5.0 | 102 | 101 | 313 | 46.0 | 114 | 8.71 |
| M64 x 127 | 29500 | M64 x 6.0 | 127 | 114 | 378 | 53.8 | 140 | 14.74 |
WARNING: Read and follow these Instructions available on Slings and Eye Bolts page.



