Solid Thimbles
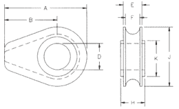
Solid Thimbles are used where the sling (or rope) is connected to a straight pin. This makes an excellent permanent installation. Within certain limitations we can increase or bush the bore hole, or we can mill down dimension ‘H’ to fit a narrower slot. These thimbles are mainly used on crane ropes.

| Dimensions (inch) for HD Wire Rope Thimbles | |||||||||
|---|---|---|---|---|---|---|---|---|---|
| Wire Rope dia. | A | B | D | E | F | H | J | K | lbs each |
| 1/2 | 2.81 | 1.75 | 1.06 | .75 | .56 | .88 | 2.13 | 1.63 | .61 |
| 5/8 | 4.69 | 3.00 | 1.31 | 1.06 | .81 | 1.13 | 3.38 | 2.25 | 2.21 |
| 3/4 | 4.69 | 3.00 | 1.50 | 1.06 | .81 | 1.38 | 3.38 | 2.25 | 2.32 |
| 7/8 | 6.06 | 3.81 | 1.75 | 1.38 | 1.06 | 1.63 | 4.50 | 3.25 | 5.45 |
| 1 | 6.06 | 3.81 | 2.13 | 1.38 | 1.06 | 1.81 | 4.50 | 3.25 | 5.25 |
| 1-1/8 | 7.25 | 4.56 | 2.38 | 1.75 | 1.31 | 2.06 | 5.38 | 3.88 | 9.29 |
| 1-1/4 | 7.25 | 4.56 | 2.63 | 1.94 | 1.53 | 2.31 | 5.38 | 3.88 | 9.81 |
| 1-3/8 | 7.25 | 4.56 | 2.63 | 1.94 | 1.53 | 2.31 | 5.38 | 3.88 | 9.81 |



