With cast Solid Thimble and Steel Sleeve for 6-strand wire rope ONLY.

Solid Thimbles are used where the sling (or rope) is connected to a straight pin. This makes an excellent permanent installation. Within certain limitations we can increase or bush the bore hole, or we can mill down dimension ‘H’ to fit a narrower slot. These thimbles are mainly used on crane ropes.

 

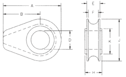
Dimensions (inch) for Solid Thimbles
Wire Rope dia. A B D E F H J K lbs each
1/2 2.81 1.75 1.06 0.75 0.56 0.88 2.13 1.63 0.61
5/8 4.69 3.00 1.31 1.06 0.81 1.13 3.38 2.25 2.21
3/4 4.69 3.00 1.50 1.06 0.81 1.38 3.38 2.25 2.32
7/8 6.06 3.81 1.75 1.38 1.06 1.63 4.50 3.25 5.45
1 6.06 3.81 2.13 1.38 1.06 1.81 4.50 3.25 5.25
1-1/8 7.25 4.56 2.38 1.75 1.31 2.06 5.38 3.88 9.29
1-1/4 7.25 4.56 2.63 1.94 1.53 2.31 5.38 3.88 9.81
1-3/8 7.25 4.56 2.63 1.94 1.53 2.31 5.38 3.88 9.81