• Wedge socket terminations have an efficiency rating of 80% based on the catalog strength of XXI wire rope.
  • Meets or exceeds all requirements of ASME B30.26 including identification, ductilit , design factor, proof load and temperature requirements. Importantly, these sockets meet other critical performance requirements including fatigue life, impact properties and material traceability, not addressed by ASME B30.26.
  • Type Approval certification in accordance with ABS RULES FOR CONDITIONS OF CLASSIFICAION, PART 1 2017 STEEL VESSELS AND ABS GUIDE FOR CERTIFICATION OF LIFTING APPLIANCES 2017 available. Certificates available when requested at time of order and may include additional charges.
  • Basket is cast steel and individually magnetic particle inspected.
  • Pin diameter and jaw opening allows wedge and socket to be used in conjunction with closed swage and spelter sockets.
  • Secures the tail or “dead end” of the wire rope to the wedge, thus eliminates loss or “Punch out” of the wedge.
  • Eliminates the need for an extra piece of rope, and is easily installed.
  • The TERMINATORTM wedge eliminates the potential breaking off of the tail due to fatigue.
  • The tail, which is secured by the base of the clip and the wedge, is left undeformed.
  • Incorporates Crosby’s patented QUIC-CHECK® “Go” and “No-Go” feature cast into the wedge. The proper size rope is determined when the following criteria are met:
    1) The wire rope should pass thru the “Go” hole in the wedge.
    2) The wire rope should NOT pass thru the “No-Go” hole in the wedge.
  • Utilizes standard Crosby Red-U-Bolt® wire rope clip.
  • The 3/8 through 1-1/8 standard S-421 wedge socket can be retrofitted with the new style TERMINATOR wedge.
  • Available with Bolt, Nut, and Cotter Pin.
  • U.S. patent 5,553,360, Canada patent 2,217,004 and foreign equivalents.
  • Meets the performance requirements of EN 13411-6.
  • Available with API-2C certification upon request

S-421T

Wedge sockets meet the performance requirements of Federal Specification RR-S-550F, Type C, except those provisions required of the contractor.

S-421T WEDGE SOCKETS (Assembly includes Socket, Wedge, Pin and Wire Rope Clip)
Wire Rope Dia. S-421T Stock No. Weight Each (lb) Wedge Only Weight Each (Ib) Standard Bolt, Nut & Cotter Assy Weight Each
(lb)
(in) (mm)
3/8 9-10 1035000 3.30 1035555 0.50 2038971 0.38
1/2 11-13 1035009 6.10 1035564 1.05 2038972 0.69
5/8 14-16 1035018 10.5 1035573 1.79 2038974 1.15
3/4 18-19 1035027 16.4 1035582 2.60 2038976 1.91
7/8 20-22 1035036 24.8 1035591 4.00 2038978 3.23
1 24-26 1035045 35.5 1035600 5.37 2038980 5.40
1-1/8 28 1035054 48.8 1035609 7.30 2038982 7.50
1-1/4 30-32 1035063 71.5 1035618 10.60 2038984 10.34
Wire Rope Dia. S-421T
Stock No.
S-421TB
Stock No.
Dimensions (in)
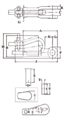
(in) (mm) A B C
+/-
0.09
D G H J* K* L P R S T U V
3/8 9-10 1035000 1035203 5.69 2.72 0.81 0.81 1.38 3.06 7.80 1.88 0.88 1.56 0.44 2.13 0.44 1.25 1.38
1/2 11-13 1035009 1035212 6.88 3.47 1.00 1.00 1.62 3.76 8.91 1.26 1.06 1.94 0.50 2.56 0.53 1.75 1.88
5/8 14-16 1035018 1035221 8.25 4.30 1.25 1.19 2.12 4.47 10.75 1.99 1.22 2.25 0.56 3.25 0.69 2.00 2.19
3/4 18-19 1035027 1035230 9.88 5.12 1.50 1.38 2.44 5.28 12.36 2.41 1.40 2.63 0.66 3.63 0.78 2.34 2.56
7/8 20-22 1035036 1035249 11.25 5.85 1.75 1.63 2.69 6.16 14.37 2.48 1.67 3.13 0.75 4.31 0.88 2.69 2.94
1 24-26 1035045 1035258 12.81 6.32 2.00 2.00 2.94 6.96 16.29 3.04 2.00 3.75 0.88 4.70 1.03 2.88 3.28
1-1/8 28 1035054 1035267 14.38 6.92 2.25 2.25 3.31 7.62 18.34 2.56 2.25 4.25 1.00 5.44 1.10 3.25 3.56
1-1/4 30-32 1035063 1035276 16.34 8.73 2.62 2.50 3.56 9.39 20.48 2.94 2.34 4.50 1.06 6.13 1.19 4.62 4.94
* Nominal NOTE: For intermediate wire rope sizes, use next larger size socket. The S-423T Super TERMINATOR wedge is designed to be assembled only into the Crosby S-421T TERMINATOR socket body.

IMPORTANT: The S-423TW for sizes 5/8” through 1-1/8” (14mm through 28mm) will fit respective size standard Crosby S-421T basket. The 1-1/4” (30-32mm) S-423TW will only fit the Crosby S-421T 1-1/4” basket marked with TERMINATOR.