• Designed with Non-Slip surface to eliminate ‘bunching and to reduce sling tendency to slide over the shackle.

  • Increased radius of bow gives wider sling surface resulting in an increased area for load distribution resulting in increased sling efficiency by at least 15% as compared to standard anchor and chain shackles. This allows 100% of the sling rated capacity to be achieved.

  • Design Factor of 5:1; All shackles made from Alloy Steel.

     
 
S-253
S-252
For
Uni-Web®
Slings
Eye of Sling
to fit Shackle
For
Uni-Web®
Slings
Body of Sling
to fit Shackle
For
Twin-Path®
Type
TP & TPC
Body of Sling
to fit Shackle
For
Twin-Path®
Type
TPX & TPXC
Body of Sling
to fit Shackle
For
all
Uni-Path®
Slings
Body of Sling
to fit Shackle
Shackle
WLL lbs
Stock
Code No.
Stock
Code No.
Web Sling
Width/Inch
Web Sling
Width/Inch
Sling
Code No.
Sling
Code No.
Sling
Code No.
6,000 SH-253-030-S-D SH-252-030-S-D 1 1 200 300 – 600
12,000 SH-253-060-S-D SH-252-060-S-D 1-3/4 & 3 450 900 – 1200
16,000 SH-253-080-S-D SH-252-080-S-D 2 & 4 2 600 1,400 – 1,700
24,000 SH-253-012-S-D SH-252-012-S-D 6 3 900 1,000 – 2,000 2,300 – 2,600
40,000 SH-253-020-S-D SH-252-020-S-D 8 4 1,200 – 1,700 2,500 – 3,000 3,200 – 4,000
70,000 SH-253-035-S-D SH-252-035-S-D 10 2,200 – 4,000 4,000 – 6,000 5,000 – 6,000
100,000 SH-253-050-S-D SH-252-050-S-D 12 6 5,000 – 6,000 7,000 – 10,000 7,000

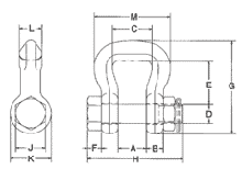
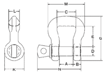
S-253 S-252

S-252/253 Shackle WLL lbs A B C D E F G H J K L M N
6,000 .88 .62 1.38 .75 1.50 .44 3.38 3.68 1.12 1.50 .75 2.69 3.22
12,000 1.25 .75 1.75 .88 1.88 .50 4.15 4.25 1.31 1.81 1.00 3.38 4.03
16,000 1.38 .88 2.25 1.00 2.81 .56 5.50 4.72 1.50 2.09 1.12 4.19 4.50
24,000 1.62 1.12 3.25 1.25 3.06 .75 .6.34 5.88 1.88 2.62 1.38 5.62 5.59
40,000 2.12 1.38 4.50 1.50 5.75 .88 9.75 7.19 2.25 3.12 1.75 7.50 6.88
70,000 2.50 1.75 5.50 2.00 6.34 1.12 11.50 9.31 3.00 4.19 2.25 9.19 8.66
100,000 3.00 2.12 6.50 2.25 7.70 1.25 13.75 10.38 3.38 4.75 2.75 11.00 10.22

Link Plate Type S-256

The “Link Plate” is designed to connect two UNI-WEB®, TWIN-PATH®, or TWIN-PATH® XTRA slings together using two (2) Crosby Synthetic Sling Shackles.

To fit Shackle WLL lbs Stock Code No. Nominal inside width inch Shackle pin diameter inch D Link Plate bore inch E Link Plate length inch Link Plate lbs each
6,500 SH-256-030-S-D 1.38 .75 .81 1.88 1.49
13,000 SH-256-060-S-D 1.75 .88 .94 2.25 2.11
17,500 SH-256-080-S-D 2.25 1.00 1.06 2.62 3.45
25,000 SH-256-012-S-D 3.25 1.25 1.31 2.35 6.51
41,000 SH-256-020-S-D 4.50 1.50 1.62 3.75 10.60
70,000 SH-256-035-S-D 5.50 2.00 2.12 5.00 21.25
100,000 SH-256-050-S-D 6.50 2.25 2.38 5.75 54.19

Spool Type S-255

The “Spool” is designed to keep the load centered on the pin, thus keeping the sling positioned correctly in the flat shackle body.

To fit Shackle WLL lbs Stock Code No. Nominal inside width inch S-253/252 Shackle throat width inch C
Spool width inch
A
Spool diameter inch
Spool fits Eye of Crosby Hook 320 A Spool lbs each
6,500 SH-255-030-S-D 1.38 .88 .75 1.25 9,000 lbs .33
13,000 SH-255-060-S-D 1.75 1.25 1.00 1.50 14,000 lbs .57
17,500 SH-255-080-S-D 2.25 1.38 1.19 1.75 22,000 lbs .89
25,000 SH-255-012-S-D 3.25 1.62 1.60 2.00 30,000 lbs 1.45
41,000 SH-255-020-S-D 4.50 2.12 1.88 2.50 44,000 lbs 2.79
70,000 SH-255-035-S-D 5.50 2.50 2.25 3.25 74,000 lbs 5.59
100,000 SH-255-050-S-D 6.50 3.00 2.75 3.75 120,000 lbs 9.02