Standard Load Cells
S-Cell Loadkink, SC-1.0 250kg – 20000kg

Features:
- Welded covers
- Stainless steel
- Sealed to IP68
- Tension and compression
- High accuracy
Applications:
- Test stands
- Certification
- Vessel and tank weighing
- Retro fitting in OEM equipment
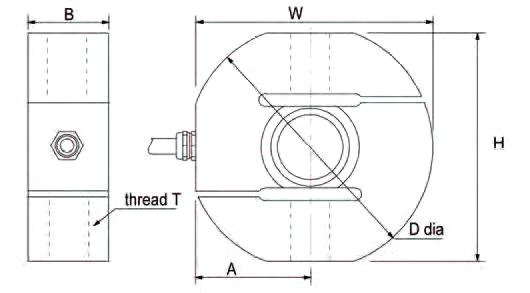
Specifications & Technical Data
| Dimensions (mm) | |||||||
| Capacity (Kg) | Part Number | A | W | H | B | ØD | Thread T |
| 250 | 0001 – 1052 | 35 | 72.5 | 70 | 24.5 | 75 | M12x1.75 |
| 500 | 0001 – 1053 | 35 | 72.5 | 70 | 24.5 | 75 | M12x1.75 |
| 1000 | 0001 – 1054 | 45 | 95 | 95 | 30 | 100 | M20x1.5 |
| 2000 | 0001 – 1055 | 45 | 95 | 95 | 30 | 100 | M20x1.5 |
| 5000 | 0001 – 1056 | 57.5 | 120 | 120 | 40 | 125 | M24x2 |
| 10000 | 0001 – 1057 | 65 | 141 | 145 | 55 | 152 | M30x2 |
| 20000 | 0001 – 1058 | 88 | 188 | 190 | 70 | 200 | M45x3 |
Specifications |
|
| Capacities (Kg) | 250kg / 500kg / 1000kg / 2000kg / 5000kg / 10000kg / 20000kg |
| Full Load Output | 2.0 (±0.25%) mV/V |
| Zero Load Output | <±2.0 % |
| Excitation (Max) | 10 (15) V |
| Accuracy | <0.03 % |
| Repeatability | <0.01 % |
| Input Resistance | 410 (±30) Ω |
| Output Resistance | 350 (±2) Ω |
| Compensated Temp.Range | -10 to +40 °C |
| Operating Temp.Range | -20 to +60 °C |
| Temp.Coefficient on Zero | <0.0015 % Capacity/°C |
| Temp Coefficient on Span | <0.002 % Capacity/°C |
| Safe Overload | 150 % |
| Insulation | 500MOhms @ 100Vdc |
| Environmental Protection | IP68 |






