Vessel Compression Load Cells
Silo Load Cell SI-1.0 0.5 – 100 tonnes

The Silo Load Cell from DLM offers a complete vessel weighing solution incorporating lift off prevention and vessel expansion without compromising accuracy.
It features a fully welded sensor and is manufactured from high tensile stainless steel type 17-4-PH for endurance durability and corrosion resistance.
The sensor becomes an integral part of your assembly and eliminates the need for vessel restraints or check rods.
We can also offer customised designs suited to your exact specification as well as a selection of optional accessories including stainless steel brackets and a range of instrumentation.
Silo Systems: Silo Load Cells can be supplied with full load monitoring systems including panel meter/HMI displays, ticket printers, digital and analogue retransmissions. Systems can be designed to meet clients exacting specifications, please contact us to discuss your full requirements.
Features and benefits:
- Low cost installation
- Five sizes
- Stainless Steel Load Cell
- Sealed to IP68
- High accuracy
- High resistance to off axis loads
- Allows vessel expansion/contraction
- Integral lift off prevention

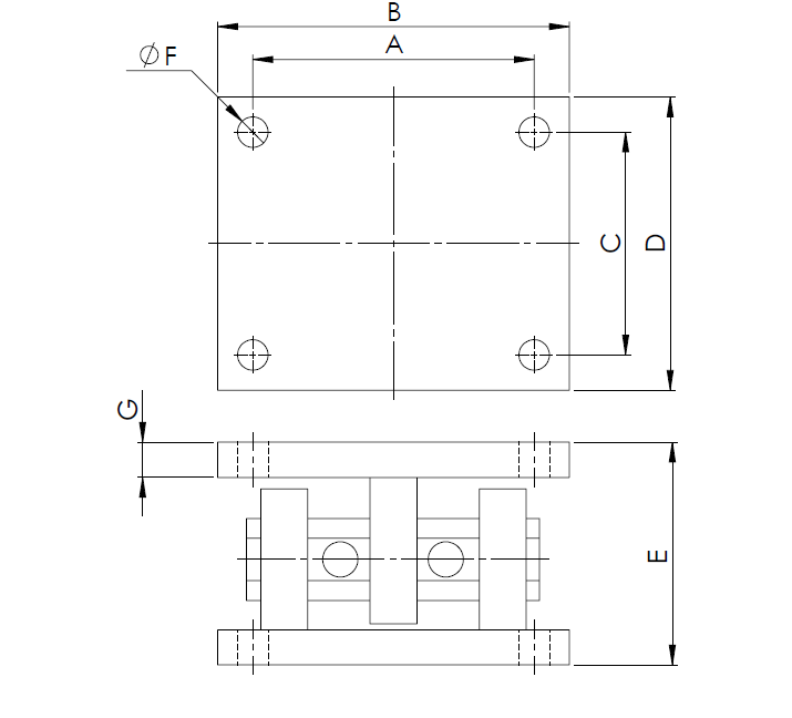
Type | Part Number | Capacity | Dimensions | Min Expansion | |||||||
A | B | C | D | E | ØF | No. F | G | ||||
Size 1 | 0001 – 1087 | 1 – 5t | 105 | 150 | 94 | 124 | 88 | 13 | 8 | 12.7 | 3mm |
Size 2 | 0001 – 1088 | 2 – 20t | 140 | 200 | 125 | 165 | 117 | 18 | 8 | 18 | 4mm |
Size 3 | 0001 – 1089 | 10 – 50t | 175 | 280 | 175 | 230 | 162 | 22 | 8 | 25 | 6mm |
Size 4 | 0001 – 1090 | 75t | 240 | 300 | 190 | 250 | 184 | 26 | 12 | 25 | 6mm |
Size 5 | 0001 – 1091 | 100t | 250 | 320 | 230 | 300 | 210 | 26 | 12 | 30 | 8mm |
Specifications | |
Capacities | 0.5t, 1t, 2t, 5t, 7,5t, 10t, 20t, 30t, 50t, 75t, 100t |
Full Load Output | 2.0 mV/V |
Zero Load Output | 10V (15V) |
Accuracy (combined error) | <0.05% |
Repeatability | <0.01% |
Input Resistance | 750Ω (+/-20) |
Output Resistance | 700Ω (+/-2) |
Compensated Temp. Range | -10 to +50°C |
Operating Temp. Range | -25 to +70°C |
Temp. Coefficient on Zero | <0.005% Capacity/°C |
Temp Coefficient of Span | <0.003 Capacity/°C |
Safe Overload | 150% of SWL |
Insulation | >500MΩ@100Vdc |
Environmental Protection | IP68 |